Original ADO®-ROLLROST / HEIZUNGSROST
Alu-T-18
Alu-T-20
Alu-T-22
Filigrane, rollbare Abdeckroste aus Aluminium in aerodynamischer Tropfenform als Abdeckungen von Heizungs-, Lüftungs- und Funktionsschächten sowie von Bodenkanalheizungen
-
elegantes Design
-
dabei äußerst stabil und langlebig
-
günstige Luftdurchlässigkeit
-
durch aerodynamische tropfenform

Technische Details:

| Original ADO-Rollrost / Heizungsrost Alu-T |
| Profil: |
| Stäbe aus massivem, aerodynamischem Aluminium-T-Profil |
| mit Federverbindung und Kunststoff-Distanzröllchen - auch mit Alu-Distanzröllchen |
| Profilhöhe: |
| • 18 mm, • 20 mm, • 22 mm |
| Profilbreite: |
| • 5,5 mm |
| Profilabstände: |
| • 10 mm (65 % freier Querschnitt) |
| • 15 mm (73 % freier Querschnitt) |
| • 20 mm (78 % freier Querschnitt) |
Auf Wunsch:
- starre Ausführung
- Stäbe in Längsrichtung
- Gehrungsecken, Rundungen, Aussparungen, Abschrägungen
Oberflächenvarianten:
- natur eloxiert

- gold eloxiert

- bronze eloxiert

- schwarz eloxiert

- Bildschirmfarben können abweichen -
- Auf Anfrage auch pulverbeschichtet.
Passende Rahmen aus Aluminium:
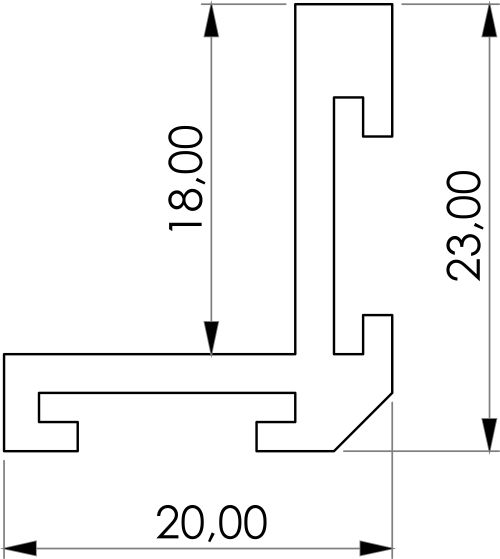
- für Alu-T-18:

ADO®-Steckrahmen: 23 x 20 x 5 mm
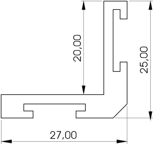
- für Alu-T-20:

ADO®-Steckrahmen: 25 x 27 x 5 mm
- für Alu-T-22:

ADO®-Steckrahmen: 27 x 25 x 5 mm
Datenblätter:
| +49 5937 8121 |


